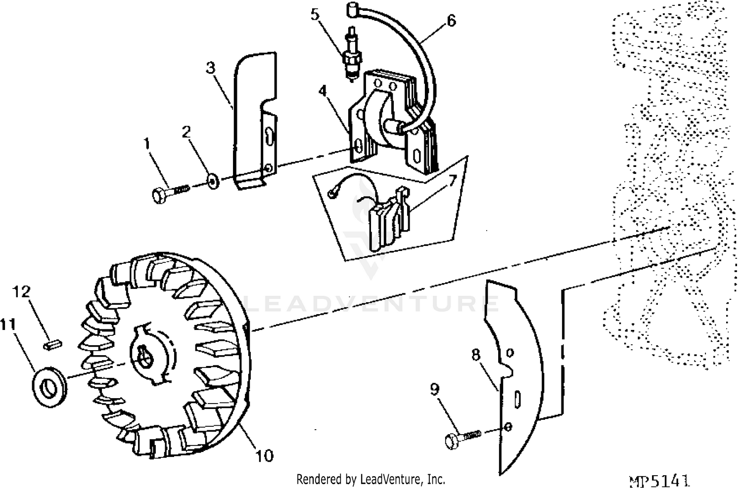
Product Item: John deere 52 log shop splitter
John Deere 52 Log Splitter With 5hp Motor shop, John Deere Model 52 Log Splitter Atlanta GA Weekend Freedom shop, Model 52 Splitter My Tractor Forum shop, John Deere Model 52 Log Splitter Atlanta GA Weekend Freedom shop, John Deere 52 Log Splitter Owner Operator Manual OM TY20598 B3 2 shop, Deere Model 52 5 5 Intek MTE 16 gpm YouTube shop, John Deere Model 52 Log Splitter Atlanta GA Weekend Freedom shop, Vintage John Deere 5 Log Splitter With Harbor Freight Engine YouTube shop, John Deere 52 LOG SPLITTER PC1670 HYDRAULIC CYLINDER 52 LOG SPLITTER shop, John Deere 52 LOG SPLITTER PC1670 FLYWHEEL ARMATURE 52 LOG shop, JOHN DEERE 52 LOG SPLITTER OPERATOR S MANUAL OM TY20591 ISSUE H2 shop, John Deere 3 32 4 5 and 52 Log Splitter Parts Catalog Farm shop, John Deere 52 LOG SPLITTER PC1670 AIR CLEANER 52 LOG SPLITTER shop, xx John Deere Hydraulic Control Valve Stop PT2001 52 3 4 32 5 Log Splitter shop, John Deere Tractor Log Splitter Furnishings Household Auction shop, Log Splitter 20 ton Heavy Duty shop, Wood splitting Log splitter PS Auction We value the future shop, JOHN DEERE 52 LOG SPLITTER OPERATOR S MANUAL OM TY20591 ISSUE H2 shop, VINTAGE ORIGINAL JOHN deere 5 log splitter runs chain saw rare shop, Skid Steer Loader 24 Ton Log Splitter Attachment Tractorseats shop, Genuine John Deere Engine To Pump Coupler Hub PT1928 No.3 4 5 32 52 Log Splitter shop, John Deere 52 LOG SPLITTER PC1670 BEAM 3 LOG SPLITTER shop, VICTORY TRACTOR EUROPE BX 52 wood shredder Victory Tractor shop, John Deere 52 Log Splitter With 5hp Motor shop, Just got a 4 wood splitter for a 400 Weekend Freedom Machines shop, SuperHandy Log Splitter Portable 20 Ton Rapid Auto Return Ram shop, Swisher 52 Inch Rough Cut Tow Behind Trail Cutter RC14552CPKA shop, Log Splitters Offers AgriEuro 2024 shop, Cub Cadet log splitter in Joplin MO Item JE9139 sold Purple Wave shop, VICTORY TRACTOR EUROPE BX 52 wood shredder Victory Tractor shop, Black tools Hydraulic log splitter 22 TON XR950 208cc Briggs Stratton petrol engine shop, WOODEZE 7 Ton Electric Log Splitter 52 shop, Log splitter VHLS12TG Kapotha shop, Goliath 35 Ton Log Splitter For Sale shop, Log splitter 24 ton horizontal rentals Flint MI Where to rent shop.
John deere 52 log shop splitter