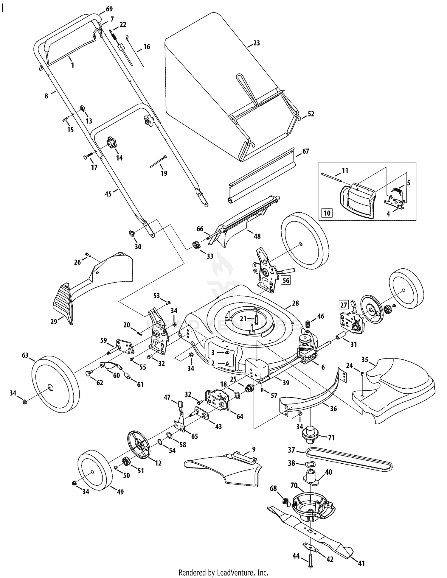
Product Item: Troy bilt 21 mower shop parts
Troy Bilt 12AEA29L011 Self Propelled Walk Behind Mower 2010 shop, Troy Bilt TB210 Self Propelled Walk Behind Mower 12A A25S011 shop, Troy Bilt 34021 4HP 21 shop, 34021 Troy Bilt 21 shop, Troy Bilt 34023 Troy Bilt 21 shop, Troy Bilt TB210 Self Propelled Mower Troy Bilt US shop, Troy Bilt TB210 12A A25S011 2012 12A A25S011 2012 Parts Diagrams shop, Troy Bilt 12A 562Q711 2009 General Assembly shop, Troy Bilt Self Propelled Lawn Mower Model 12AI869G211 MTD Parts shop, Troy Bilt XP 21 in. 163 cc Briggs and Stratton ReadyStart Engine 3 shop, Troy Bilt TB110 140 cc 21 in Gas Push Lawn Mower with Briggs and shop, Troy Bilt Self Propelled Lawn Mower Model 12AJ866E066 Troy Bilt US shop, Troy Bilt Self Propelled Lawn Mower Model 12AE449D066 MTD Parts shop, Troy Bilt TB200 21 in. 140 cc 550e Series Briggs Stratton Gas shop, Troy Bilt 12AV566M011 2008 General Assembly shop, Troy Bilt Original Equipment 3 in 1 Blade for Troy Bilt 21 in shop, Troy Bilt 12A 562Q711 Lawn Mower 2009 eReplacementParts shop, Troy Bilt 21 in. 140 cc Briggs and Stratton Gas Walk Behind Push shop, Troy Bilt Self Propelled Lawn Mower Model 12A 466M066 MTD Parts shop, Troy Bilt 21 160cc FWD Self Propelled XP Mower shop, Mulching Blade for 21 inch Cutting Decks 942 0741A Troy Bilt US shop, Troy Bilt Push Lawn Mower Blade Sharp Blade Genuine Parts 21 in shop, Troy Bilt 8628R 4hp 20 shop, Troy Bilt front wheel drive LAWNMOWER BOTH WHEELS wont turn TRANSMISSION Belt problems HOW TO fix shop, Troy Bilt TB30B Riding Lawn Mower Troy Bilt US shop, Troy Bilt 34021 4HP 21 shop, Troy Bilt 34345 Troy Bilt 21 shop, Amazon MTD Genuine Parts 19A30045OEM Double Mower Bagger shop, Troy Bilt 42000 21 shop, Small Engine Parts Troy Bilt US shop, Troy Bilt XP 21 in. 149 cc Vertical Storage Series Engine 3 in 1 shop, Troy Bilt Self Propelled Lawn Mower Model 12AI86K1066 MTD Parts shop, MAY NEED PARTS OR REPAIR TROY BILT 21 shop, DECK ENGINE COVER for 21 shop, Troy Bilt 12A 466A711 2005 Parts Diagrams shop.
Troy bilt 21 mower shop parts