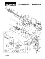
Product Item: Hp2010n shop
Makita HP2010N 1 110V 13mm 2 Speed Percussion Drill Supplied in A Carry Case shop, MAKITA HP2010N shop, Makita USA Product Details HP2010N shop, Makita HP2010N 2 240V 13mm 2 Speed Percussion Drill Supplied in a shop, Makita HP2010N 2 240V 13mm 2 Speed Percussion Drill Supplied in a shop, HP2010N Makita Australia shop, Makita Hp2010n 2 Speed Percussion Drill Spare Parts SPARE HP2010N shop, Makita 750W 13mm 2 Speed Hammer Drill HP2010N TradeTools shop, Makita 750W 13mm 2 Speed Hammer Drill HP2010N TradeTools shop, Makita Corded Hammer Drill HP2010N iFixit shop, MAKITA 241815 8 FAN 62 FOR HAMMER DRILL HP2010N shop, Makita HP2010N Hammer Drill 110V shop, Makita Corded Hammer Drill HP2010N iFixit shop, ASLTAHITI Perceuse percussion HP2010N de Makita shop, 5e Working Makita HP2010N Corded Hammer Drill variable Speed shop, Makita Hammer Drill Model HP2010N Makita Electric Works Ltd shop, Makita Armature 240v Hp2010n 515144 8 shop, Makita HP2010N 2 240V 13mm 2 Speed Percussion Drill Supplied in a shop, Armature for Percussion Drills Makita HP2010N shop, Makita Power Tools South Africa Impact Drill HP2010N shop, Makita Handle Cover Complete Hp2010n 150601 5 shop, Makita HP2010N 240V 750W 20mm 2 Speed Hammer Drill shop, Makita HP2010N 2 240V 13mm 2 Speed Percussion Drill Supplied in a shop, Makita Corded Hammer Drill HP2010N iFixit shop, Makita Spare Parts for Percussion Drill HP2010N shop, Makita HP2010N Corded 120 V 6.0 A Variable Speed Rear Handle shop, Makita hp2010n Drill Cash Converters shop, Makita USA Product Details HP2010N shop, HP2010N Makita Australia shop, 5e Working Makita HP2010N Corded Hammer Drill variable Speed shop, MAKITA HP2010N 110v Percussion drill 13mm keyed chuck shop, Makita Corded Hammer Drill HP2010N iFixit shop, MAKITA TOOLS 3 4 shop, A. Moses Sons Limited Makita HP2010N 6 Amp 3 4 Inch Hammer shop, HP2010N Percussion Drill shop.
Hp2010n shop